Leírás
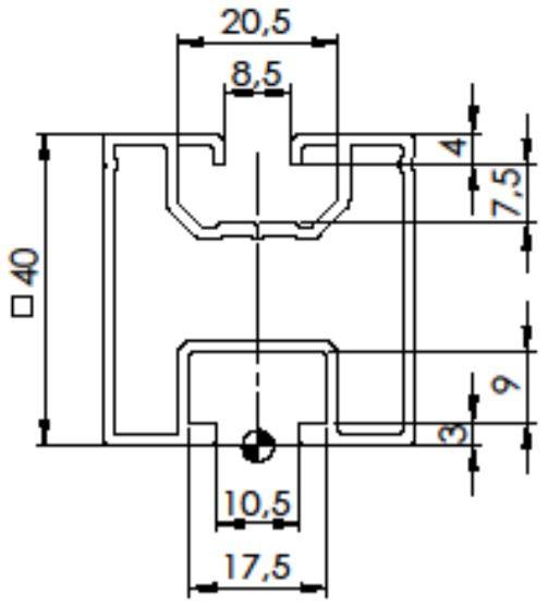
A 40×40-es szerelősín a legkelendőbb szabványos profil.
Csatlakozó felső csatorna: a modulok rögzítése megoldható csúszóanyával, mely M8-as menettel rendelkezik, ami tetszőleges ponton helyezhető be a felső csatornába. Az M8-as menetkialakításnak köszönhetően belső kulcsnyílású csavarok segítségével az anyához rögzíthetők felülről a köztes -és szélső leszorító elemek.
A modulok rögzítése megoldható köztes és szélső szettel is. A modul rögzítéséhez a szettet csak be kell pattintani a profilcsatornába és meg kell húzni a csavart. Használatával a szerelési idő csökken az egyszerűbb kialakításnak köszönhetően.
Csatlakozó alsó csatorna: a DIN 933 M10x25 hatlapfejű csavar feje vagy a kalapács fejű csavar feje az alsó csatornába illeszkedik. A hatlapfejű csavar olcsóbb, de a sín végétől kell becsúsztatni, míg a kalapácsfejű csavar tetszőleges ponton fordítható be. Az alsó rögzítést általában tetőkampókra, ászokcsavarok adapterlemezeire szokták szerelni.
A sínek toldására több lehetőség is kínálkozik:
sín toldó horonyba: az összeszerelés az első profilba való beütéssel történik, majd erre kell rányomni a második sínt.
Két toldót kell használni, hogy megakadályozzuk a csatlakozás lecsavarodását. Ez a leggyakrabban használt megoldás, mivel ez a megoldás a leggyorsabb és további csavarozás nélkül használható
sín toldó U-profil: az U-toldó kívülről van rögzítve, így akkor is rögzíthető, ha a két sín már rögzítve van a tetőn.
A sínen és a toldón lévő barázdák miatt a toldó nem esik le magától, ez a szerelés megkönnyítésére szolgál, a tartós rögzítés 4 db 4,8x25mm-es önfúró csavarral történik
sín toldó lemez: csatlakozóként használható a négylyukú lemez is, mely 4 darab rozsdamentes, hatlapfejű csavarral
(DIN 933 M10 x 25mm (A2)) és 4 darab rozsdamentes, recézett, peremes anyával (DIN 6923 M10 (A2)) van felcsavarozva alulról az összekötendő profilokhoz

Felső rögzítés: leszorító szettel vagy M8 belső kulcsnyílású csavarral+csúszóanyával
Alsó rögzítés: M10 hatlapfejű csavarral (DIN 933), vagy kalapácsfejű csavarral
Az alumínium szerelősínek kulcsfontosságúak a hatékony napelem telepítésében. Könnyű és erős anyagból készülnek, biztosítva a megbízható és tartós rögzítést. Az alumínium anyag ellenáll a korróziónak és az időjárási hatásoknak, garantálva a hosszú élettartamot és kiváló teljesítményt. Könnyűségük megkönnyíti a szállítást és telepítést, csökkentve a költségeket és munkaidőt.
A Modulfix standard, 40×40-es szerelősínek rugalmasan állíthatók sín toldók segítségével, igazodva az egyedi igényekhez. Precíz illesztés és szakszerű rögzítés biztosítja a napelemek stabil elhelyezését, minimalizálva a sérülések vagy meghibásodások kockázatát.
A biztonságos és megbízható napelemek elengedhetetlenek a zöld energia előállításában és a fenntartható jövő elérésében. A Modulfix napelem szerelősínek kiváló választás a hatékony napelemrendszerek kiépítéséhez, hozzájárulva környezetünk védelméhez és energiaköltségeink csökkentéséhez.
A Modulfix napelem szerelősíneket rozsdamentes tetőkampók tartják a héjazattól függően. Alulról rögzíthetők, lehetnek fix vagy állítható Modulfix tetőkampók.
A Modulfix standard, 40×40-es szerelősínek alulról szerelhetők, választhatunk állítható vagy fix tetőkampókat, ideálisak hódfarkú cseréphez, zsindelyhez vagy bilincs korcolt lemezhez.








Reviews
There are no reviews yet.