Leírás

|
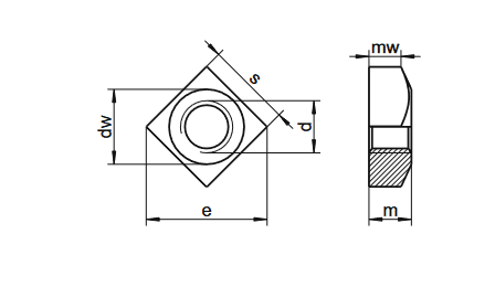
mw
|
m
|
s
|
e max
|
||
|---|---|---|---|---|---|
|
M8
|
4,1
|
6,5
|
13
|
18,4
|
A rozsdamentes négylapú anya kulcsfontosságú eleme lehet a napelemek szerkezeti rögzítésének, különféle méretben és anyagminőségben elérhető, beleértve a korrózióálló acélból készült változatokat is. Ezek az anyák különleges geometriájukkal kiemelkedő stabilitást nyújtanak olyan helyzetekben, ahol a szokásos hatszögletű anyák nem biztosítanak elegendő megoldást, mint például nehezen hozzáférhető területeken vagy egyedi szerkezeti kialakításoknál. A négylapú anya egyenes oldalai lehetővé teszik a felhasználó számára a hatékonyabb rögzítést és állítást.
A napelemes rendszerek rögzítőelemeiként használt négylapú anyák, különösen az M8 méretben és az A2 minőségű rozsdamentes acélból készültek, ideálisak a számos szerelési kihívás megoldására. A négylapú forma megakadályozza az anya elfordulását a feszítés közben, ezáltal biztosítva a rögzítés pontosságát és megbízhatóságát.
A négylapú anyák előnyösek számos ipari, kereskedelmi és otthoni alkalmazásban, különösen, ahol a rozsdamentes acél, a magas szakítószilárdság és a tartósság elengedhetetlen. Ezek különösen jól alkalmazhatók a napelemes rendszerek összeszerelésénél, ahol a tartós, megbízható szerkezeti stabilitás kulcsfontosságú. Az M8-as méret egy szabványos méret, ami széles körű kompatibilitást biztosít a különböző csavarokkal és rögzítőelemekkel.
A rozsdamentes négylapú anyák további előnyei között szerepel a korrózióval és az időjárási hatásokkal szembeni ellenállás, valamint a kiemelkedő mechanikai stabilitás. Ezek az anyák ideálisan illeszkednek bizonyos szerelősínek felső vájatába, ahol belső kulcsnyílású imbusz csavarokkal rögzíthetők a köztes és szélső leszorító elemekhez.
Összességében az M8 méretű A2 minőségű rozsdamentes négylapú anyák kiváló rögzítési megoldást nyújtanak a napelem iparban, ahol a rozsdamentesség, a magas szakítószilárdság és a tartósság elengedhetetlen. Ezek az anyák biztosítják a napelemes szerkezetek hosszú távú stabilitását és megbízhatóságát a szerelési és rögzítési munkálatok során.




Reviews
There are no reviews yet.