Leírás
![]() |
A fekete szélső leszorító elemek: Kulcsfontosságú összetevők a napenergia rendszerekben
A napenergia hasznosításának világszerte növekvő népszerűsége mellett a napelem rendszerek hatékonyságát növelő tartószerkezeti elemek, mint a fekete szélső leszorító elemek, meghatározó szerepet töltenek be. A napelemek hatékonyságának növelése és megbízhatóságának biztosítása érdekében a fekete szélső leszorító elemek alapvető fontosságúak.
Miért készülnek alumíniumból a fekete szélső leszorító elemek?
Az alumínium alapanyag választása a fekete szélső leszorító elemek gyártásához kulcsfontosságú. Ez az anyag kiemelkedő tartóssággal és időjárásállósággal rendelkezik, ami biztosítja a napelemek hosszú távú, megbízható rögzítését extrém időjárási körülmények között is. Az alumínium könnyűsége és erőssége ideális választást jelentenek a napenergia rendszerek számára. Emellett a fekete színű keretek elegáns megjelenést kölcsönöznek a telepített napelem rendszereknek, hozzájárulva a tető vagy a szerkezet esztétikus kialakításához.
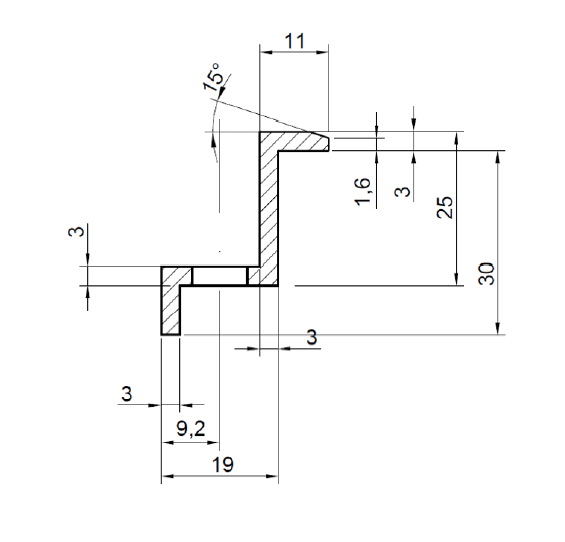
M8-as furat és csavar: Precíz és biztonságos rögzítés
A fekete szélső leszorító elemeknél a csavarok méretének és típusának kiválasztása kulcsfontosságú. Az M8-as furat és a hozzá illeszkedő M8-as csavar tökéletesen megfelel a fotovoltaikus panelekhez, biztosítva ezzel a pontos illeszkedést és biztonságos rögzítést.
Univerzális alkalmazhatóság a napelem rendszerekben
A fekete szélső leszorító elemek széles körben alkalmazhatók, így kompatibilisek különböző profilokkal, beleértve az alumínium profilokat, melyeket alulról metrikus vagy kalapácsfejű csavarokkal rögzítenek, valamint a talpas profilokkal és a trapézprofilokkal a trapézlemezből készült tetőkhöz. Ez a sokoldalúság biztosítja, hogy a napelem rendszerek széles skálájához alkalmazhatók legyenek.
Összegzés
A fekete szélső leszorító elemek, különösen az alumíniumból készültek, elengedhetetlenek a fotovoltaikus panelek hatékony és biztonságos rögzítéséhez. Ezek az elemek nemcsak a stabilitást és tartósságot biztosítják, hanem hozzájárulnak a napelem rendszerek esztétikai megjelenéséhez is. A napenergia-ipar folyamatos fejlődése mellett a fekete szélső leszorító elemek minőségének és megbízhatóságának jelentősége tovább növekszik.







Reviews
There are no reviews yet.