Leírás

A napelem szélső leszorító elemek: kulcsfontosságú összetevők a napenergia rendszerekben
A napenergia hasznosítása egyre növekvő népszerűségnek örvend világszerte, és a napelem rendszerek hatékonyságának növelésében a különböző tartószerkezeti elemek – mint például a szélső leszorító elemek – meghatározó szerepet játszanak.
Miért készülnek alumíniumból a szélső leszorító elemek?
Az alumínium alapanyag kiválasztása a szélső leszorító elemek gyártásához nem véletlen. Ez az anyag nemcsak rendkívül tartós, hanem magas szintű időjárásállósággal is rendelkezik. Ezek a tulajdonságok biztosítják, hogy a napelemek hosszú távon megbízhatóan rögzítve maradjanak, még extrém időjárási körülmények között is. Ezenfelül az alumínium könnyű, mégis erős, így ideális választás a napenergia rendszerekhez.
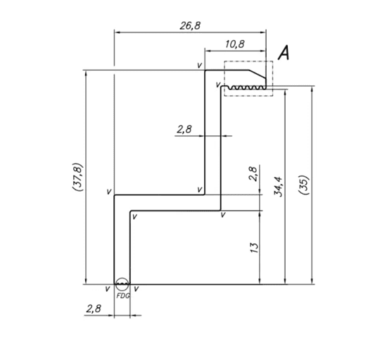
M8-as furat és csavar: precíz és biztonságos rögzítés
A szélső leszorító elemek tervezésekor kulcsfontosságú a csavarok méretének és típusának megfelelő kiválasztása. Az M8-as furat a csúszó anyán és az ahhoz illeszkedő M8-as csavar tökéletes választás a fotovoltaikus panelekhez, biztosítva a pontos illeszkedést és a biztonságos rögzítést. Ez a méret ideális a napelemek alumínium szerkezeti profilhoz való stabil rögzítéséhez. Az imbusz csavarok hosszát a napelem panelek keretmagassága határozza meg.
Univerzális alkalmazhatóság a napelem rendszerekben
A szélső leszorító elemek széles körben alkalmazhatók, így kompatibilisek a különböző profilokkal, beleértve az alumínium profilokat, melyeket alulról metrikus vagy kalapácsfejű csavarokkal rögzítenek, valamint a talpas profilokkal, a trapézprofilokkal a trapézlemezből készült tetőkhöz. Ez a sokoldalúság biztosítja, hogy a napelem rendszerek széles skálájához alkalmazhatók legyenek.
Összegzés
A napelem szélső leszorító elemek, különösen az alumíniumból készültek, elengedhetetlenek a fotovoltaikus panelek hatékony és biztonságos rögzítéséhez. Ezek az elemek nemcsak a stabilitást és tartósságot biztosítják, hanem hozzájárulnak a napelem rendszerek esztétikai megjelenéséhez is. A napenergia-ipar folyamatos fejlődése mellett a szélső leszorító elemek minőségének és megbízhatóságának jelentősége tovább növekszik.






Reviews
There are no reviews yet.