Leírás
EPDM ragasztószalagnak köszönhetően biztosított a tökéletes tömítés, a sín extra erősen tapad a lemezhez.
Ajánlott 6,0×25mm-es, hatlapfejű, önfúró, bi-metál lemezcsavar használata, mely menetet vág a vékony lemezbe, így biztosítja a megfelelő rögzítést.
A napelem paneleket leggyorsabban leszorító szettel rögzíthetjük. Praktikus és időtakarékos, hiszen előre összeszerelve tartalmaz egy menetanyát, egy imbusz csavart és a leszorító elemet. A leszorító szettet csak be kell pattintani a minisín menetébe és a napelem modul illesztését követően meghúzni a csavart.

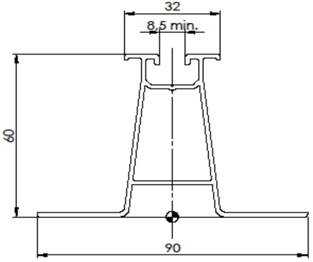
A Modulfix 60mm magas mini sín terméke kiváló rögzítési megoldást nyújt napelem táblákhoz az acél héjazatú tetőkön. Ez a 60mm magas, rendkívül praktikus és megbízható sín egyszerűen telepíti a napelemes rendszereket olyan felületekre, mint trapézlemez, szendvicspanel vagy cserepes lemez, biztonságos és ideális választás mindegyik felület típusra.
A napelem mini sín kialakítása széles körű kompatibilitást tesz lehetővé az acél tető héjazatokkal, biztosítva nagyobb rugalmasságot az ügyfeleknek a telepítési lehetőségek terén.
Az alumíniumból készült napelemes mini sínt hosszú élettartam jellemzi, ellenállva az időjárási viszontagságoknak és környezeti hatásoknak, ezáltal fokozva a napelem rendszer stabilitását és biztonságát.
A mini sín telepítése gyors és egyszerű folyamat, minimalizálva a munkaidőt, így költséghatékony megoldást nyújt a kedves ügyfeleknek. A Modulfix minisíneket számos méretben kínáljuk, hogy megfeleljenek a különféle napelem tábláknak, valamint az acél héjazat típusoknak és méretezési igényeknek.
A mini szerelő síneket a Modulfix bi-metál csavarokkal lehet rögzíteni a tetőn. A bi-metál csavar nemcsak önmetsző, hanem az egyedi kialakítású fejnek köszönhetően menetet vághat az acélban, ezzel garantálva a megfelelő rögzítést.








Reviews
There are no reviews yet.